栏目列表
新闻资讯
- 7大环节全解析 | 添元消波块钢模:从需求到售后,匠心守护每一米海岸线
- 发货:35吨A型、5吨A型 扭王字块钢模
- 发货:扭王字块钢模 40吨A型、15吨A型
- 元旦快乐!
- 找钢模小程序正式上线公告
- 扭王字块Ⅱ型介绍
- 找钢模(二手消波块钢模交易平台)入口
- 原”宁波添元建筑工程有限公司“改名
联系我们
咨询电话: 180-6739-5218(宁波添元)
消波块事业部: 189-5783-0019(王经理 )
联锁块事业部: 133-5574-4599(张经理)
座机: 0574-86988331
地址: 浙江省宁波市海曙区南站东路16号 月湖银座16楼
常见问题
联锁块特干硬性混凝土配制技术研究
联锁块铺面不仅价格低廉,而且易于施工,还具有可重复使用、方便维修和抗滑、抗温度变形性能好等优点,在欧洲、美洲、日本等均得到广泛使用。但目前国内联锁块工程应用过程中,由于试验室内成型 设备等条件的缺乏,往往对联锁块混凝土配制技术的重视程度不足,缺少对工程原材料的比选和配合比优化工作。
但事实上,由于联锁块混凝土对早期强度、表观质量等性能要求较为严格,且采用压振成型工艺,对原材料质量的要求同样很高,在实际配制中开展原材料比选工作很有必要。另外,联锁块混凝土作为一种特干硬性混凝土,由于相关标准在拌合物状态等方面缺少的控制指标,其混凝土配合比设计往往较为粗放,尤其在实际工程中,通常照搬已有项目的配合比。以用水量的选择为例,常常以“使拌合物均匀、能揉成团、不松散、落地即散”为宜,这种定性的控制就使得用水量设计参数过于宽泛,缺少优选研究过程。
因此,该文结合肯尼亚内罗毕集装箱内陆港扩建工程联锁块铺面项目,基于试验室内压振成型工艺条件,针对联锁块混凝土的配制技术开展研究工作。
1 试验
1.1 原材料
水泥:肯尼亚 Bamburi水泥厂(拉法基控股)生产 CEMΙ42.5水泥和 CEMΙ52.5水泥,基本性能见表1。粗骨料:项目部生产5~10mm 碎石和5~15mm 碎石,响岩,表观密度2620kg/m³。机制砂:项目 部生产机制砂,石粉含量12.1%,MB值0.75,细度模数2.6。河砂:肯尼亚当地河砂,表观密度2650kg/ m³,坚固性3.3%,含泥量2.4%,细度模数2.7

1.2 方法
联锁块混凝土拌合物的改进 VC值依据JTGE30—2005《公路工程水泥及水泥混凝土试验规程》进行; 联锁块混凝土抗压强度依据 GB/T50081—2002《普通混凝土力学性能试验方法标准》进行;耐磨性试验依据 JTGE30—2005《公路工程水泥及水泥混凝土试验规程》进行。试验基准配合比见表2

1.3 成型方法
联锁块混凝土为特干硬性混凝土,成型需要加压振动,与普通混凝土差异较大,为此设计了联锁块混凝土成型试模和加压振动装置如图1所示(该试模和装置申请了专利,专利号为:201721301643.5和201721302956.2)。
混凝土成型时,将拌合好的联锁块混凝土装满专用试模,压上成型压块,放入成型压力架中,压力架放置于振动台上,通过千斤顶给混凝土拌合物施压,通过应力计控制和记录加压压力,同时开动振动台,实现可控的振动加压成型。
通过试验研究,成型工艺参数采用成型压力3MPa、振动时间90s、6h后 拆模标养进行联锁块混凝土的成型。

2 结果与分析
2.1 骨料粒径的影响
粗骨料分别采用5~10mm 和5~15mm 粒级碎石配 制成型联锁块混凝土(工程生产设备条件下无法采用更大 粒径的骨料),研究骨料粒径对联锁块混凝土性能的影响, 试验结果见图2和图3。
结果表明,骨料粒径对于联锁块特干硬性混凝土硬化后的抗压强度影响不大,采用5~15mm 的粗骨料所配置 的联锁块混凝土早期强度略有提高。但采用5~15mm 这 种粒径更大的骨料后,试件的表观质量明显下降,表面出现 更多空隙,这种状态下,一方面影响成品外观,同时更容易出现应力集中而造成局部掉角、破损的情况。虽然 这种情况可以通过增大砂率或胶凝材料进行改善,但在实际生产中,无疑会带来经济成本的提高以及技术难 度的增大。综合考虑下,条件允许时,以5~10mm 较小粒径的粗骨料进行联锁块混凝土的生产更为适宜。


2.2 水泥等级的影响
分别采用 CEMΙ42.5水泥和 CEMΙ52.5水泥配制成型联锁块混凝土。试验研究水泥等级对联锁块混凝土硬化后强度发展的影响,试验结果见图4。
结果表明,所使用水泥的强度等级对联锁块混凝土的早期抗压强度影响较为显著。相比 CEMΙ42.5水泥,采用强度更高的 CEMΙ52.5水泥后,由于水泥早期水化更快、更充分,在同条件下能够提供更多的形成体系强度的水化产物,联锁块混凝土的3d强度提高约20%,而对后期的强度影响不显著。
实际生产中,这种早期强度的提高有利于提前半成品的堆垛时间、降低半成品早期破损的风险,因此,条件允许时,采用更高强度等级的水泥生产联锁块是更为适宜的。



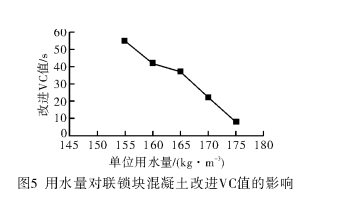
2.3 单位用水量的影响
在基准配合比上,固定水胶比0.30、砂率0.55,调整用水量,研究用水量对联锁块混凝土拌合物性能和状态的影响,试验结果见图5、图6。
结果表明,随着单位用水量的提高,联锁块混凝土的稠度显著降低,改进 VC值明显减小。从图6中也能看出,用水 量为150kg/m3时,联锁块混凝土测试改进 VC 值后继续振 动至60s时的拌合物表面基本不出浆,这种过于干硬的状态就会造成联锁块生产过程中胚体振压成型时难以粘结成整体,在后续胚体移动过程中也极易造成破损;而当用水量增加至175kg/m3时,混凝土测试改进 VC值后继续振动至60s时的拌合物表面出浆充分,浆体表面泛水,这种较为湿润的状态同样不利于胚体的成型,混凝土会在振压和脱模过程中粘黏压头和模具,从而造成胚体的表面缺损,平整度下降。并且配合比设计时,较高的单位用水量会提高单位胶凝材料用量,从而增加成本。
总体来看,以160 ~165kg/m3的用水量较为适宜,此时拌合物在压振后的出浆程度较好,表面密实,浆体又不过于湿润而具备粘连性,有利于保证联锁块生产时的成型质量。
需要说明的是,上述各组在搅拌过程中的拌合物状态都可以归为符合所谓“均匀、能揉成团、不松散、落地即散”的定性标准。可见,这种定性标准仅应作为联锁块混凝土生产过程质量控制的简易措施,在实际配合比设计时,以改进 VC值作为拌合 物性能控制指标是更为合理的,更加有利于优选单位用水量参数,且以35~45s的改进 VC值指标为宜。

2.4 水胶比的影响固定用水量
165kg/m3、砂率0.55,试验研究水胶比对联锁块混凝土抗压强度的影响。试验结果见图7。
结果表明,联锁块制品混凝土这种特干硬性混凝土在成型密实的情况下同样符合“水胶比定则”, 即其强度与水胶比存在密切关系,随着拌合物水胶比的增大,硬化后的联锁块混凝土强度有规律地降低,尤其是28d后期强度受水胶比影响更为显著。
因此,在联锁块实际生产中配合比设计时,从强度角度考虑,应控制水胶比参数不宜过大。当产品强度不满足指标要求时,应适当调整降低水胶比。

2.5 砂率的影响
固定用水量165kg/m3、水胶比0.30,试验研究砂率的联锁块混凝土各方面性能的影响。试验结果见图8~图10。

砂率在较低范围内变化时对联锁块混凝土改进 VC 值的影响不显著。但当砂率过大时,会造成体系需水量过高,压振作用后表面出浆较少,表观质量明显变差。
因此,从拌合物性能考虑,砂率应根据联锁块成型表观质量进行选择,取值不宜过大。砂率对联锁块混凝土的强度影响不大。由于联锁块制品混凝土采用 5~10mm碎石作为粗骨料,与砂的粒径相差不大,因此随着砂率的增大,虽然体系孔隙率有所降低,但不会造成骨料骨架效应的明显变化。在砂率过大时,混凝土28d后期强度稍有降低。
然而,砂率对于联锁块混凝土的耐磨性影响较为显著。随着砂率的提高,联锁块混凝土的单位面积磨损量明显降低,混凝土耐磨性提高。这是因为砂率的提高一方面会带来体系孔隙率的显著降低,从而提高体系密实程度;另一方面,细骨料中的大量细颗粒会进入浆体体系,从而提高浆体的整体硬度,增强混凝土耐磨性能。这种耐磨性的提高有利于保证联锁块的服役寿命,降低由于磨耗带来的维修成本。
因此,综合考虑下,在联锁块制品混凝土配合比设计时,应在保证成型质量与整体强度的基础上,适当提高砂率。
3 结论
a.较小的骨料粒径与较高的水泥强度等级能够改善和提高联锁块混凝土的成型表观质量与早期强度, 应视条件选用5~10mm 碎石与52.5强度等级水泥进行联锁块混凝土的配制。
b.采用改进 VC值能够更加定量地表征联锁块混凝土的拌合物性能,并与用水量负相关,通过调整用水量使混凝土拌合物改进 VC值在35~45s时更利于联锁块的成型。
c.联锁块混凝土在成型密实的情况下同样符合“水胶比定则”,随着拌合物水胶比的增大,硬化后的联锁块混凝土强度有规律地降低,尤其是28d后期强度更为显著。
d.砂率的适当提高对联锁块混凝土改进 VC值与抗压强度的影响不大,但会明显改善联锁块混凝土的 耐磨性。
新闻资讯
-
2025-01-25 19:19:54
选择消波块钢模的几点建议
-
2023-10-09 13:56:09
水泥选购常识
-
2023-10-09 13:51:04
扭王字块、四脚空心块安装
-
2023-10-08 17:31:38
联锁块铺装施工方案
-
2023-10-08 17:25:55
联锁块的四个层次是什么意思?
-
2023-10-08 17:16:59
联锁块的计量和比例控制
